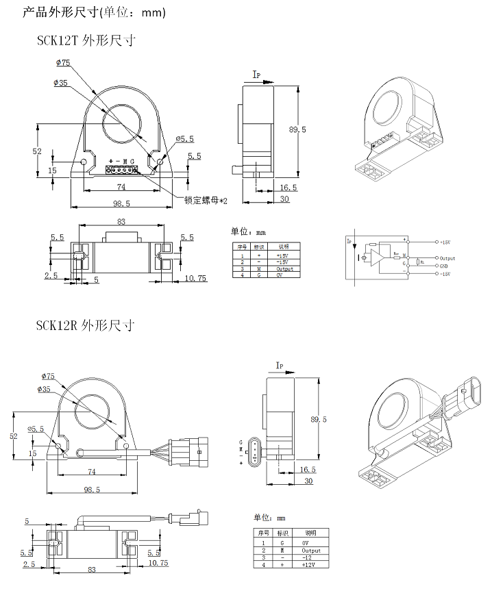
Dimensions (in mm. 1mm=0.0394 inch):
Notes:
1. Size error: ±1mm;
2. Primary aperture: φ35mm;
3. Fastening hole: φ5.5mm*2;
4. K12T output terminal: 2EDGIV-5.08-4P;
K12T mating plug: 2EDGIK-5.08-4P;
5. K12R rubber case: 282106-1/AMP
K12R terminal: 282404-1/AMP
K12R waterproof plug: 281934-1/AMP
6. The IP indication direction is the positive direction of the current;
7. The temperature of the primary conductor shall not exceed 105°C;
8. Incorrect wiring may cause damage to the sensor.
