General Data:
| Parameters(25°C) Model | SCD2-AC -10mA | SCD2-AC-20mA | SCD2-AC-50MA | SCD2-AC-100mA | ||||||||
| Nominal Rms Current (Ipn) | ±10mA | ±20mA | ±50mA | ±100mA | ||||||||
| Measuring Range (Ip) | 2* Ipn | |||||||||||
| Load resistance Rmax | ≥10kΩ | |||||||||||
| Output Voltage | ±5V(DC) 5V(AC) | |||||||||||
| Working voltage | ±12V~±15V(±5%) | |||||||||||
| Accuracy @ Ta=25°C | ±1% FS | |||||||||||
| Linearity @ Ta=25°C | ±1% FS | |||||||||||
| Input Offset Voltage | SCD2-AC<±150mV | |||||||||||
| Thermal drift of Vo | < ±1mV/°C | |||||||||||
| Resolution | 10uA | |||||||||||
| immunity (to external interference) | < ± 5mV When H=50A DC/m | |||||||||||
| Weight: | SCD2-AC 320g | |||||||||||
| Withstand voltage | 3kVrms/50Hz/min | |||||||||||
| Current consumption | <20mA | |||||||||||
| Operating temperature | -10~+75 °C | |||||||||||
| Storage temperature | -25~+80 °C | |||||||||||
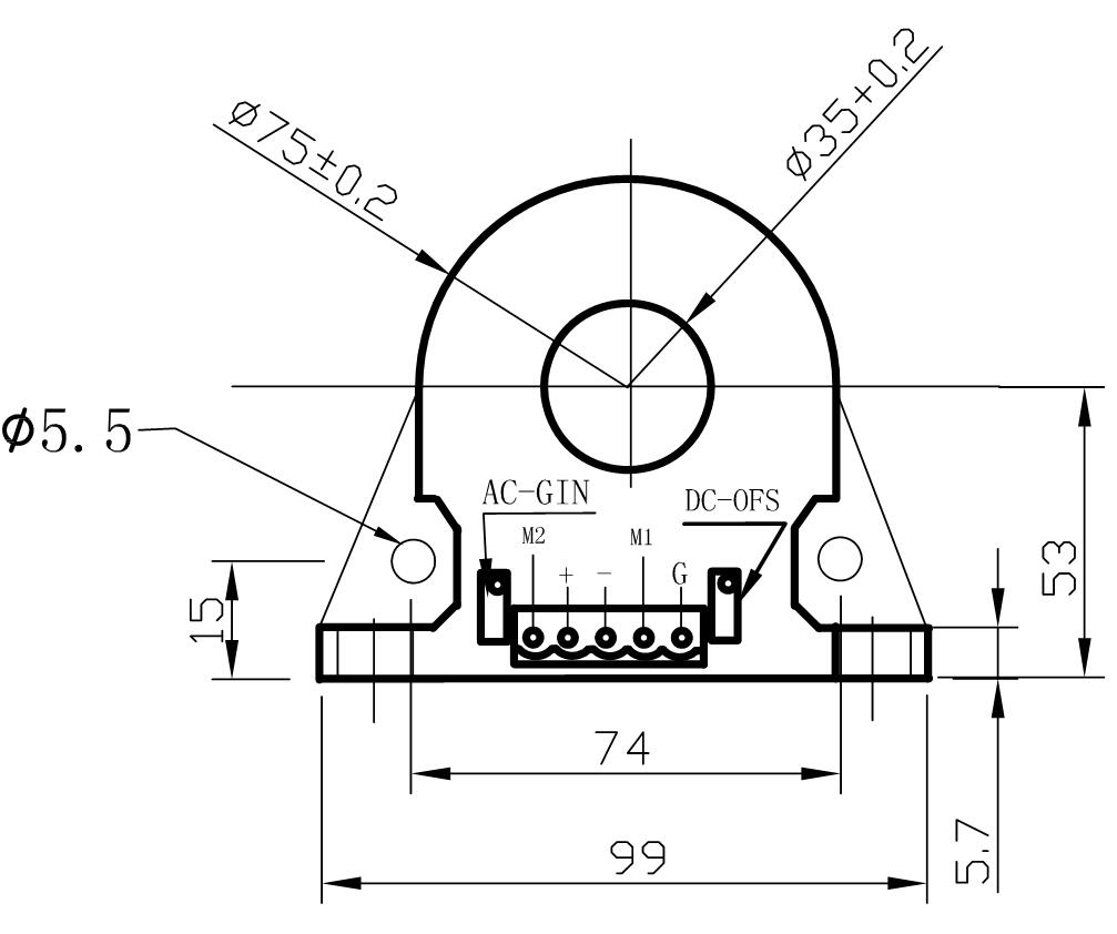
Dimension(mm):


Instructions
1.SCD-AC Series sensor is AC/DC leakagecurrent sensor adapt non-contact measurement, it can measure small AC, DCcurrent MA level’s isolation in perforation measurement. M2 measure AC output,M1 measure DC output. 2.Zero position output of the sensor output can beadjusted according to user needs.
3.AC-GIN adjust the AC output value, DC-OFS adjust the zero DC.
Caution: This product is precision measuring device, please handle with care!
