Technical Data:
| Parameters(25°C) Model | SCB31-100A | SCB31-200A |
| Nominal Rms Current (Ipn) | ±100AT | ±200AT |
| Measuring Range (Ip) | 200AT | 420AT |
| Road Resistance Rmax | 20~80Ω | 12~70Ω |
| Output current | ±50mA | ±100mA |
| Turns Ratio | 1: 2000 | |
| Measuring Resistance | 40Ω | |
| Working voltage | DC ±12V or ±15V (±5%) | |
| Accuracy @ Ta=25°C | ±0.5% FS | |
| Linearity @ Ta=25°C | ±0.1% FS | |
| Offset current | < ±0.2mA | < ±0.1mA |
| Offset temperature characteristics | < ±0.2%/°C | |
| Themal drift of Vo | Typical values ± 0.1mA, maximum ±0.5mA | Typical values ± 0.05mA, maximum ±0.25mA |
| Di/Dt following accuracy | >100A/us | |
| Bandwidth | DC ~100kHz | |
| Response time | < 1uS | |
| Hysteresis offset | < 0.5mA (if=F.S. 0<--- ---="">Nominal RMS Current) | |
| Withstand voltage | 3kVrms/50Hz/min | |
| Current consumption | 10mA + output current | |
| Operating temperature | -40~+125 °C | |
| Storage temperature | -40~+125 °C | |


Notes:
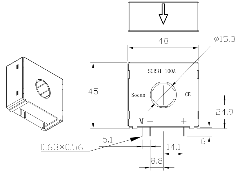
1. Size error: ±0.5mm;
2. Primary aperture: □17*4.5+13*6.5mm;
3. Pinpoint output: □0.64*0.56mm*4,
Recommended PCB cut-out: 0.9mm;
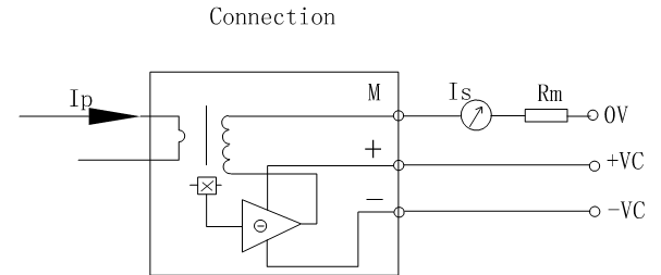
4. The IP indication direction is the positive direction of the current;
5. Incorrect wiring may cause damage to the sensor.
